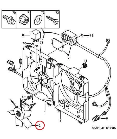
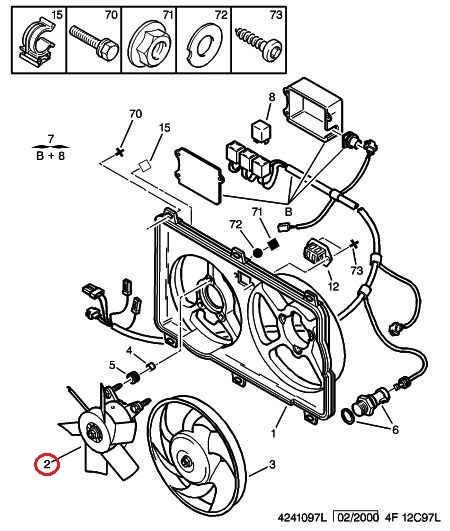
Б/У Вентилятор охлаждения Citroen Jumper II (2002-2006), 1253E7, 1253C1, 125339, 1323254080
Б/У Вентилятор охлаждения Ситроен Джампер 2 (2002-2006), 1253E7, 1253C1, 125339, 1323254080
Производитель: FIAT (Италия).
Устанавливается на автомобили:
Fiat Ducato 230/244 - (1994-2002 / 2002-2006);
Peugeot Boxer I/II - (1994-2002 / 2002-2006);
Citroen Jumper I/II - (1994-2002 / 2002-2006).
Аналоги:
Б/У Вентилятор радиатора охлаждения Ситроен Джампер 2 (2002-2006) с диффузором, 78519432
Б/У Диффузор радиатора Ситроен Джампер 2 (2002-2006) на 2 вентилятора, 1305196080
В наличии имеем много других автозапчастей к этим авто. Продаем в розницу по ОПТОВЫМ ЦЕНАМ!!!
Склад насчитывает более 40 тысяч наименований товаров и каждый день ассортимент увеличивается, поэтому просьба уточнять наличие по телефону.
- Дата публікації: 07.08.2019
- Країна виробник: Италия
- Виробник: Fiat
Оплата
Оплата заказанного товара осуществляется либо наложенным платежом (после получения и осмотра товара на складе Новой Почты) либо путем предоплаты пополнением карточного счета "Приват Банк". Товары стоимостью меньше 200 грн - оплачиваются только на карту.
За товар "Под заказ" необходимо сначала внести предоплату в размере от 20 до 50% общей стоимости. Остальная часть суммы оплачивается также как и товар "В наличии".
Доставка
Доставка товара осуществляется Новой Почтой в любой регион Украины.
Товар "В наличии" заказанный до 14:30 отправляем в тот же день.
Товар "В наличии" заказанный после 14:30 отправляем утром следующего рабочего дня.
Товар "Под заказ" после предоплаты в размере 20-50% общей стоимости приходит к нам на склад в течении 1-2 рабочих дней.
Срок доставки в регионы зависит от перевозчика (Новой Почты).






