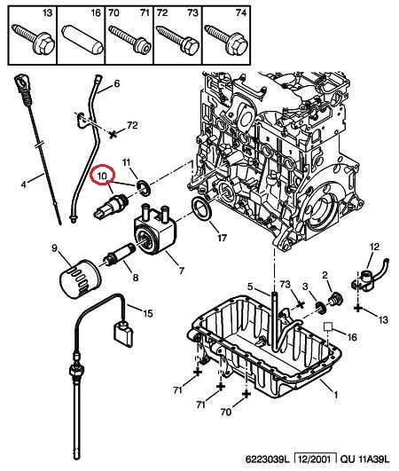
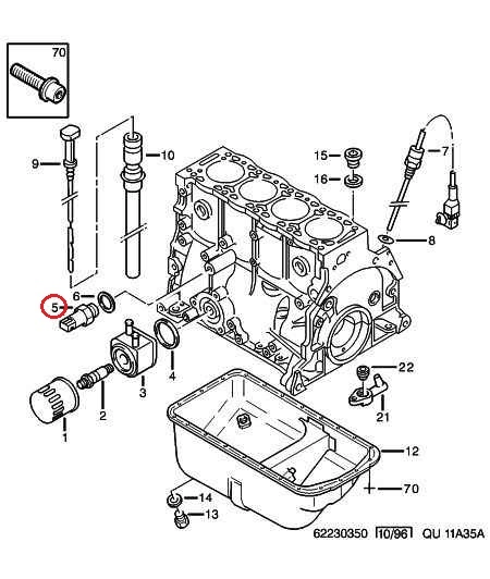
Датчик давления масла Peugeot Expert (1995-2004) 1.9D/TD, 2.0HDi, 1131C5, 1131K5, 9661477580, AS2066
Датчик давления масла Пежо Експерт (1995-2004) 1.9D/TD, 2.0HDi, 1131C5, 1131K5, 9661477580, AS2066
Производитель: AUTLOG.
Устанавливается на автомобили с двигателями:
Fiat Ducato 230 (1994-2002) - 1.9D/TD, 2.0;
Fiat Ducato 244 (2002-2006) - 2.0JTD;
Fiat Scudo 220 (1995-2006) - 1.9D/TD, 2.0JTD;
Fiat Scudo (2007-.....) - 1.6/2.0JTD;
Fiat Fiorino-qubo (2007-.....) - 1.4;
Peugeot Boxer (1994-2002) - 1.9D/TD, 2.0HDi;
Peugeot Boxer II (2002-2006) - 2.0/2.2HDi;
Peugeot Expert I/II (1995-2006) - 1.9D/TD;
Peugeot Expert III (2007-.....) - 1.6/2.0HDi;
Peugeot Partner M49/M59/B9 (1996-...) - все моторы;
Peugeot Bipper (2008-.....) - 1.4;
Citroen Jumper (1994-2002) - 1.9D/TD, 2.0HDi;
Citroen Jumper II (2002-2006) - 2.0/2.2HDi;
Citroen Jumpy I/II (1995-2006) - 1.9D/TD, 2.0HDi;
Citroen Jumpy III (2007-.....) - 1.6/2.0HDi;
Citroen Berlingo M49/M59/B9 (1996-.....) - все моторы;
Citroen Nemo (2008-.....) - 1.4.
В наличии имеем много других автозапчастей к этим авто. Продаем в розницу по ОПТОВЫМ ЦЕНАМ!!!
Склад насчитывает более 40 тысяч наименований товаров и каждый день ассортимент увеличивается, поэтому просьба уточнять наличие по телефону.
- Дата публікації: 09.06.2019
- Країна виробник: Германия
- Виробник: AUTLOG
- Количество контактов: 1 шт.
- Размер резьбы: М16х1.5 мм
Оплата
Оплата заказанного товара осуществляется либо наложенным платежом (после получения и осмотра товара на складе Новой Почты) либо путем предоплаты пополнением карточного счета "Приват Банк". Товары стоимостью меньше 200 грн - оплачиваются только на карту.
За товар "Под заказ" необходимо сначала внести предоплату в размере от 20 до 50% общей стоимости. Остальная часть суммы оплачивается также как и товар "В наличии".
Доставка
Доставка товара осуществляется Новой Почтой в любой регион Украины.
Товар "В наличии" заказанный до 14:30 отправляем в тот же день.
Товар "В наличии" заказанный после 14:30 отправляем утром следующего рабочего дня.
Товар "Под заказ" после предоплаты в размере 20-50% общей стоимости приходит к нам на склад в течении 1-2 рабочих дней.
Срок доставки в регионы зависит от перевозчика (Новой Почты).








