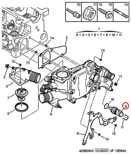
Датчик температуры охлаждающей жидкости Peugeot Boxer II (2002-2006) 2.0/2.2HDi, 9633518580, 1338C0, AS2132
Датчик температуры охлаждающей жидкости Пежо Боксер 2 (2002-2006) 2.0/2.2HDi, 9633518580, 1338C0, AS2132
Производитель: AUTLOG.
Устанавливается на автомобили с двигателями:
Fiat Ducato 244 (2002-2006) - 2.0JTD;
Peugeot Boxer I/II (1994-2006) - 2.0/2.2HDi;
Peugeot Partner M49/M59 (1996-2008) - 2.0HDi;
Citroen Jumper I/II (1994-2006) - 2.0/2.2HDi;
Citroen Berlingo M49/M59 (1996-2008) - 2.0HDi.
В наличии имеем много других автозапчастей к этим авто. Продаем в розницу по ОПТОВЫМ ЦЕНАМ!!!
Склад насчитывает более 40 тысяч наименований товаров и каждый день ассортимент увеличивается, поэтому просьба уточнять наличие по телефону.
- Дата публікації: 02.10.2024
- Країна виробник: Германия
- Виробник: AUTLOG
- Количество контактов: 3 шт.
- Диаметр: 20 мм
Оплата
Оплата заказанного товара осуществляется либо наложенным платежом (после получения и осмотра товара на складе Новой Почты) либо путем предоплаты пополнением карточного счета "Приват Банк". Товары стоимостью меньше 200 грн - оплачиваются только на карту.
За товар "Под заказ" необходимо сначала внести предоплату в размере от 20 до 50% общей стоимости. Остальная часть суммы оплачивается также как и товар "В наличии".
Доставка
Доставка товара осуществляется Новой Почтой в любой регион Украины.
Товар "В наличии" заказанный до 14:30 отправляем в тот же день.
Товар "В наличии" заказанный после 14:30 отправляем утром следующего рабочего дня.
Товар "Под заказ" после предоплаты в размере 20-50% общей стоимости приходит к нам на склад в течении 1-2 рабочих дней.
Срок доставки в регионы зависит от перевозчика (Новой Почты).



