Гидрокомпенсатор (толкатель клапана) Peugeot Expert (1995-2004) 1.9D/TD, 9633089580, 094241, 300942041
Гидрокомпенсатор (толкатель клапана) Пежо Эксперт (1995-2004) 1.9D/TD, 9633089580, 094241, 300942041
Производитель: DELLO AUTOMEGA.
Устанавливается на автомобили с двигателями:
Fiat Ducato 230 (1994-2002) - 1.9D/TD (1905);
Fiat Scudo 220 (1995-2004 / 2004-2006) - 1.9D/TD;
Peugeot J5 (1982-1994) - 1.9D;
Peugeot Boxer (1994-2002) - 1.9D/TD;
Peugeot Expert I/II (1995-2004 / 2004-2006) - 1.9D/TD;
Peugeot Partner M49 (1996-2003) - 1.8/1.9D;
Peugeot Partner M59 (2003-2008) - 1.9D;
Citroen C25 (1982-1994) - 1.9D;
Citroen Jumper (1994-2002) - 1.9D/TD;
Citroen Jumpy I/II (1995-2004 / 2004-2006) - 1.9D/TD;
Citroen Berlingo M49 (1996-2003) - 1.8/1.9D;
Citroen Berlingo M59 (2003-2008) - 1.9D.
В наличии имеем много других автозапчастей к этим авто. Продаем в розницу по ОПТОВЫМ ЦЕНАМ!!!
Склад насчитывает более 40 тысяч наименований товаров и каждый день ассортимент увеличивается, поэтому просьба уточнять наличие по телефону.
- Дата публікації: 02.12.2023
- Країна виробник: Германия
- Виробник: Dello/Automega
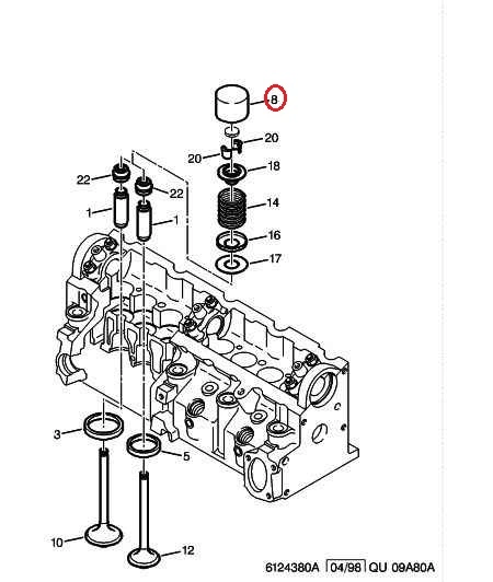
- Наружный диаметр: 34 мм
- Высота: 25 мм
Оплата
Оплата заказанного товара осуществляется либо наложенным платежом (после получения и осмотра товара на складе Новой Почты) либо путем предоплаты пополнением карточного счета "Приват Банк". Товары стоимостью меньше 200 грн - оплачиваются только на карту.
За товар "Под заказ" необходимо сначала внести предоплату в размере от 20 до 50% общей стоимости. Остальная часть суммы оплачивается также как и товар "В наличии".
Доставка
Доставка товара осуществляется Новой Почтой в любой регион Украины.
Товар "В наличии" заказанный до 14:30 отправляем в тот же день.
Товар "В наличии" заказанный после 14:30 отправляем утром следующего рабочего дня.
Товар "Под заказ" после предоплаты в размере 20-50% общей стоимости приходит к нам на склад в течении 1-2 рабочих дней.
Срок доставки в регионы зависит от перевозчика (Новой Почты).





