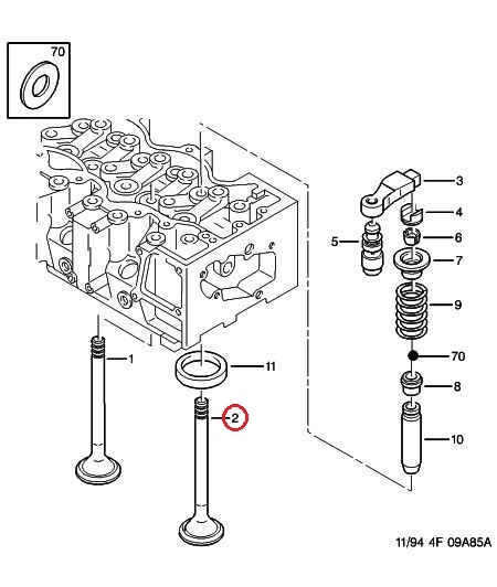
Клапан выпускной (7х36.9-127.5 мм) Citroen Jumper (1994-2002) 2.5D/TD, 094979, R4945RCR
Клапан выпускной (7х36.9-127.5 мм) Ситроен Джампер (1994-2002) 2.5D/TD, 094979, R4945RCR
Производитель: FRECCIA.
Устанавливается на автомобили с двигателями:
Peugeot Boxer (1994-2002) - 2.5D/TD;
Citroen Jumper (1994-2002) - 2.5D/TD.
В наличии имеем много других автозапчастей к этим авто. Продаем в розницу по ОПТОВЫМ ЦЕНАМ!!!
Склад насчитывает более 40 тысяч наименований товаров и каждый день ассортимент увеличивается, поэтому просьба уточнять наличие по телефону.
- Дата публікації: 08.06.2019
- Країна виробник: Италия
- Виробник: FRECCIA
- Диаметр стержня: 7 мм
- Диаметр головки клапана: 36.9 мм
- Высота: 127.5 мм
- Угол седла клапана: 45 градусов
Оплата
Оплата заказанного товара осуществляется либо наложенным платежом (после получения и осмотра товара на складе Новой Почты) либо путем предоплаты пополнением карточного счета "Приват Банк". Товары стоимостью меньше 200 грн - оплачиваются только на карту.
За товар "Под заказ" необходимо сначала внести предоплату в размере от 20 до 50% общей стоимости. Остальная часть суммы оплачивается также как и товар "В наличии".
Доставка
Доставка товара осуществляется Новой Почтой в любой регион Украины.
Товар "В наличии" заказанный до 14:30 отправляем в тот же день.
Товар "В наличии" заказанный после 14:30 отправляем утром следующего рабочего дня.
Товар "Под заказ" после предоплаты в размере 20-50% общей стоимости приходит к нам на склад в течении 1-2 рабочих дней.
Срок доставки в регионы зависит от перевозчика (Новой Почты).


