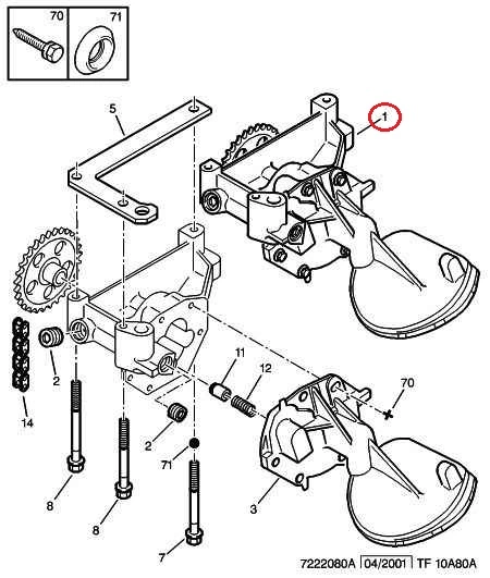
Масляный насос Peugeot Partner M49 (1996-2003) 1.9D (1868), 1001E3, 100191, 721210755
Масляный насос Пежо Партнер М49 (2004-2006) 1.9D (1868), 1001E3, 100191, 721210755
Производитель: TOPRAN (Германия).
Устанавливается на автомобили с двигателем 1.9D DW8 1868:
Fiat Scudo 220 (1995-2004 / 2004-2006);
Peugeot Expert I/II (1995-2004 / 2004-2006);
Peugeot Partner M49 (1996-2003);
Citroen Jumpy I/II (1995-2004 / 2004-2006);
Citroen Berlingo M49 (1996-2003).
В наличии имеем много других автозапчастей к этим авто. Продаем в розницу по ОПТОВЫМ ЦЕНАМ!!!
Склад насчитывает более 40 тысяч наименований товаров и каждый день ассортимент увеличивается, поэтому просьба уточнять наличие по телефону.
- Дата публікації: 27.02.2024
- Країна виробник: Германия
- Виробник: TOPRAN
Оплата
Оплата заказанного товара осуществляется либо наложенным платежом (после получения и осмотра товара на складе Новой Почты) либо путем предоплаты пополнением карточного счета "Приват Банк". Товары стоимостью меньше 200 грн - оплачиваются только на карту.
За товар "Под заказ" необходимо сначала внести предоплату в размере от 20 до 50% общей стоимости. Остальная часть суммы оплачивается также как и товар "В наличии".
Доставка
Доставка товара осуществляется Новой Почтой в любой регион Украины.
Товар "В наличии" заказанный до 14:30 отправляем в тот же день.
Товар "В наличии" заказанный после 14:30 отправляем утром следующего рабочего дня.
Товар "Под заказ" после предоплаты в размере 20-50% общей стоимости приходит к нам на склад в течении 1-2 рабочих дней.
Срок доставки в регионы зависит от перевозчика (Новой Почты).




