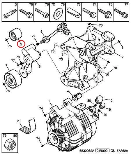
Паразитный ролик генератора Peugeot Expert (1995-2004) 1.9D (1868), 575167, 55944MG
Паразитный ролик генератора Пежо Експерт (1995-2004) 1.9D (1868), 575167, 55944MG
Производитель: MaxGear.
Устанавливается на автомобили с ГУР и без кондиционера с двигателями:
Fiat Scudo 220 (1995-2004 / 2004-2006) - 1.9D (DW8 / 1868);
Peugeot Expert I/II (1995-2004 / 2004-2006) - 1.9D (DW8 / 1868);
Peugeot Partner M49/M59 (1996-2003 / 2003-2008) - 1.9D (DW8 / 1868);
Citroen Jumpy I/II (1995-2004 / 2004-2006) - 1.9D (DW8 / 1868);
Citroen Berlingo M49/M59 (1996-2003 / 2003-2008) - 1.9D (DW8 / 1868).
MaXgear предлагает популярные ролики натяжителей ремней на европейский автомобильный рынок. В производстве роликов MaXgear используются высококачественные компоненты, в том числе марочные подшипники c заводов, поставляющих продукцию на рынок ОЕ. Натяжные ролики принадлежат к группе наиболее важных компонентов двигателя, отвечают за регулирование и правильное натяжение зубчатого и поликлинового ремня. Только регулярная их замена гарантирует правильную работу двигателя и всего его навесного оборудования.
В наличии имеем много других автозапчастей к этим авто. Продаем в розницу по ОПТОВЫМ ЦЕНАМ!!!
Склад насчитывает более 40 тысяч наименований товаров и каждый день ассортимент увеличивается, поэтому просьба уточнять наличие по телефону.
- Дата публікації: 15.04.2023
- Країна виробник: Польша
- Виробник: MaxGear
Оплата
Оплата заказанного товара осуществляется либо наложенным платежом (после получения и осмотра товара на складе Новой Почты) либо путем предоплаты пополнением карточного счета "Приват Банк". Товары стоимостью меньше 200 грн - оплачиваются только на карту.
За товар "Под заказ" необходимо сначала внести предоплату в размере от 20 до 50% общей стоимости. Остальная часть суммы оплачивается также как и товар "В наличии".
Доставка
Доставка товара осуществляется Новой Почтой в любой регион Украины.
Товар "В наличии" заказанный до 14:30 отправляем в тот же день.
Товар "В наличии" заказанный после 14:30 отправляем утром следующего рабочего дня.
Товар "Под заказ" после предоплаты в размере 20-50% общей стоимости приходит к нам на склад в течении 1-2 рабочих дней.
Срок доставки в регионы зависит от перевозчика (Новой Почты).





