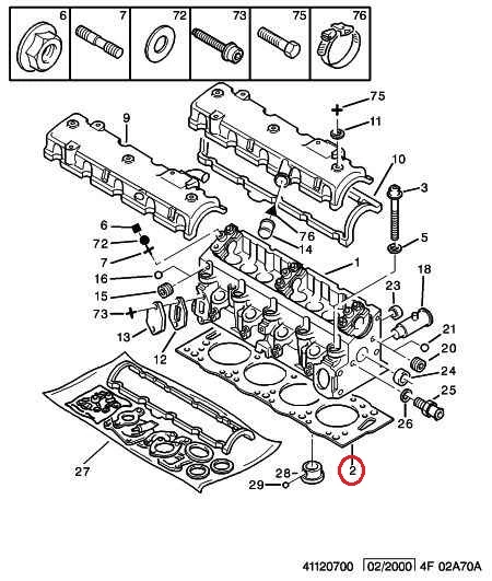
Прокладка головки блока цилиндров (ГБЦ) Citroen Jumper (1994-2002) 1.9D (1905), 0209S7, 0220-01-1779P
Прокладка головки блока цилиндров (ГБЦ) Ситроен Джампер (1994-2002) 1.9D (1905), 0209S7, 0220-01-1779P
Производитель: 4MAX (Польша).
Устанавливается на автомобили с двигателем 1.9D (1905):
Fiat Ducato 230 - (1994-2002);
Fiat Scudo 220 - (1995-2004);
Peugeot J5 - (1982-1994);
Peugeot Boxer - (1995-2002);
Peugeot Expert - (1995-2004);
Peugeot Partner M49 - (1996-2003);
Citroen C25 - (1982-1994);
Citroen Jumper - (1994-2002);
Citroen Jumpy - (1995-2004);
Citroen Berlingo M49 - (1996-2003).
В наличии имеем много других автозапчастей к этим авто. Продаем в розницу по ОПТОВЫМ ЦЕНАМ!!!
Склад насчитывает более 40 тысяч наименований товаров и каждый день ассортимент увеличивается, поэтому просьба уточнять наличие по телефону.
- Дата публікації: 08.06.2019
- Країна виробник: Польша
- Виробник: 4MAX
Оплата
Оплата заказанного товара осуществляется либо наложенным платежом (после получения и осмотра товара на складе Новой Почты) либо путем предоплаты пополнением карточного счета "Приват Банк". Товары стоимостью меньше 200 грн - оплачиваются только на карту.
За товар "Под заказ" необходимо сначала внести предоплату в размере от 20 до 50% общей стоимости. Остальная часть суммы оплачивается также как и товар "В наличии".
Доставка
Доставка товара осуществляется Новой Почтой в любой регион Украины.
Товар "В наличии" заказанный до 14:30 отправляем в тот же день.
Товар "В наличии" заказанный после 14:30 отправляем утром следующего рабочего дня.
Товар "Под заказ" после предоплаты в размере 20-50% общей стоимости приходит к нам на склад в течении 1-2 рабочих дней.
Срок доставки в регионы зависит от перевозчика (Новой Почты).


