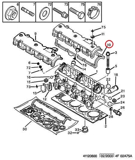
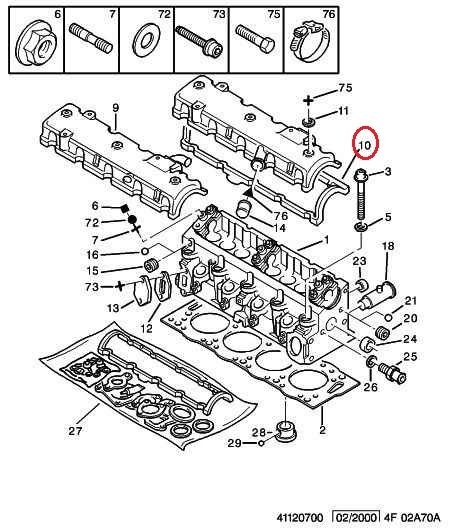
Прокладка клапанной крышки Citroen Jumper (1994-2002) 1.9D/TD (1905), 024991, 70-25942-00
Прокладка клапанной крышки верхняя Ситроен Джампер (1994-2002) 1.9D/TD (1905), 024991, 70-25942-00
Производитель: Victor Reinz (Германия).
Устанавливается на автомобили с двигателями:
Fiat Ducato 230 (1994-2002) - 1.9D/TD (1905);
Fiat Scudo 220 (1995-2004) - 1.9D/TD (1905);
Peugeot Boxer (1994-2002) - 1.9D/TD;
Peugeot Expert (1995-2004) - 1.9D/TD (1905);
Peugeot Partner M49 (1996-2003) - 1.8D, 1.9D (1905);
Citroen Jumper (1994-2002) - 1.9D/TD;
Citroen Jumpy (1995-2004) - 1.9D/TD (1905);
Citroen Berlingo M49 (1996-2003) - 1.8D, 1.9D (1905).
В наличии имеем много других автозапчастей к этим авто. Продаем в розницу по ОПТОВЫМ ЦЕНАМ!!!
Склад насчитывает более 40 тысяч наименований товаров и каждый день ассортимент увеличивается, поэтому просьба уточнять наличие по телефону.
- Дата публікації: 08.06.2019
- Країна виробник: Германия
- Виробник: Victor Reinz
Оплата
Оплата заказанного товара осуществляется либо наложенным платежом (после получения и осмотра товара на складе Новой Почты) либо путем предоплаты пополнением карточного счета "Приват Банк". Товары стоимостью меньше 200 грн - оплачиваются только на карту.
За товар "Под заказ" необходимо сначала внести предоплату в размере от 20 до 50% общей стоимости. Остальная часть суммы оплачивается также как и товар "В наличии".
Доставка
Доставка товара осуществляется Новой Почтой в любой регион Украины.
Товар "В наличии" заказанный до 14:30 отправляем в тот же день.
Товар "В наличии" заказанный после 14:30 отправляем утром следующего рабочего дня.
Товар "Под заказ" после предоплаты в размере 20-50% общей стоимости приходит к нам на склад в течении 1-2 рабочих дней.
Срок доставки в регионы зависит от перевозчика (Новой Почты).



