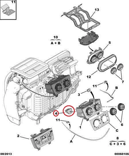
Регулятор печки Peugeot Boxer IV (2014-.....), 1609029980
Регулятор печки Пежо Боксер 4 (2014-.....), 1609029980
Производитель: PEUGEOT (Франция).
Устанавливается на автомобили:
Fiat Ducato 250 - (2006-2014 / 2014-.....);
Peugeot Boxer III/IV - (2006-2014 / 2014-.....);
Citroen Jumper III/IV - (2006-2014 / 2014-.....).
Аналоги:
Регулятор вентилятора печки Пежо Боксер 4 (2014-.....), IT 6143
В наличии имеем много других автозапчастей к этим авто. Продаем в розницу по ОПТОВЫМ ЦЕНАМ!!!
Склад насчитывает более 40 тысяч наименований товаров и каждый день ассортимент увеличивается, поэтому просьба уточнять наличие по телефону.
- Дата публікації: 07.08.2024
- Країна виробник: Франция
- Виробник: PEUGEOT
Оплата
Оплата заказанного товара осуществляется либо наложенным платежом (после получения и осмотра товара на складе Новой Почты) либо путем предоплаты пополнением карточного счета "Приват Банк". Товары стоимостью меньше 200 грн - оплачиваются только на карту.
За товар "Под заказ" необходимо сначала внести предоплату в размере от 20 до 50% общей стоимости. Остальная часть суммы оплачивается также как и товар "В наличии".
Доставка
Доставка товара осуществляется Новой Почтой в любой регион Украины.
Товар "В наличии" заказанный до 14:30 отправляем в тот же день.
Товар "В наличии" заказанный после 14:30 отправляем утром следующего рабочего дня.
Товар "Под заказ" после предоплаты в размере 20-50% общей стоимости приходит к нам на склад в течении 1-2 рабочих дней.
Срок доставки в регионы зависит от перевозчика (Новой Почты).


