Вкладыши коленвала коренные STD (стандартные) Peugeot Partner M49 (1996-2003) 1.8/1.9D, 2.0HDi, 111393, H1057/5 STD
Вкладыши коленвала коренные STD (стандартные) Пежо Партнер М49 (1996-2003) 1.8/1.9D, 2.0HDi, 111393, H1057/5 STD
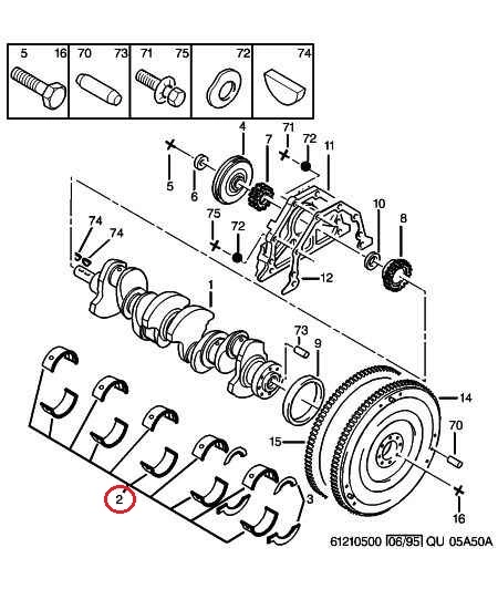
Производитель: GLYCO.
Устанавливается на автомобили с двигателями:
Fiat Ducato 230 (1994-2002) - 1.9D/TD (1905), 2.0;
Fiat Ducato 244 (2002-2006) - 2.0, 2.0JTD;
Fiat Scudo 220 (1995-2004) - 1.9D/TD, 2.0JTD;
Fiat Scudo 220 (2004-2006) - 1.9D, 2.0JTD;
Fiat Scudo (2007-.....) - 2.0JTD;
Peugeot J5 (1982-1994) - 1.9D;
Peugeot Boxer (1994-2002) - 1.9D/TD, 2.0, 2.0HDi;
Peugeot Boxer II (2002-2006) - 2.0, 2.0HDi;
Peugeot Expert (1995-2004) - 1.9D/TD, 2.0HDi;
Peugeot Expert II (2004-2006) - 1.9D/TD, 2.0HDi;
Peugeot Partner M49 (1996-2003) - 1.8/1.9D, 2.0HDi;
Peugeot Partner M59 (2003-2008) - 1.9D, 2.0HDi;
Citroen C25 (1982-1994) - 1.9D;
Citroen Jumper (1994-2002) - 1.9D/TD, 2.0, 2.0HDi;
Citroen Jumper II (2002-2006) - 2.0, 2.0HDi;
Citroen Jumpy (1995-2004) - 1.9D/TD, 2.0HDi;
Citroen Jumpy II (2004-2006) - 1.9D/TD, 2.0HDi;
Citroen Berlingo M49 (1996-2003) - 1.8/1.9D, 2.0HDi;
Citroen Berlingo M59 (2003-2008) - 1.9D, 2.0HDi.
В наличии имеем много других автозапчастей к этим авто. Продаем в розницу по ОПТОВЫМ ЦЕНАМ!!!
Склад насчитывает более 40 тысяч наименований товаров и каждый день ассортимент увеличивается, поэтому просьба уточнять наличие по телефону.
- Дата публікації: 09.06.2019
- Країна виробник: Германия
- Виробник: GLYCO
Оплата
Оплата заказанного товара осуществляется либо наложенным платежом (после получения и осмотра товара на складе Новой Почты) либо путем предоплаты пополнением карточного счета "Приват Банк". Товары стоимостью меньше 200 грн - оплачиваются только на карту.
За товар "Под заказ" необходимо сначала внести предоплату в размере от 20 до 50% общей стоимости. Остальная часть суммы оплачивается также как и товар "В наличии".
Доставка
Доставка товара осуществляется Новой Почтой в любой регион Украины.
Товар "В наличии" заказанный до 14:30 отправляем в тот же день.
Товар "В наличии" заказанный после 14:30 отправляем утром следующего рабочего дня.
Товар "Под заказ" после предоплаты в размере 20-50% общей стоимости приходит к нам на склад в течении 1-2 рабочих дней.
Срок доставки в регионы зависит от перевозчика (Новой Почты).







